天津洛研轴承科技有限公司
地址:天津市津南区长青科工贸园区重庆街60号
手机:15122160707
手机:15122160808
联系:汪博
双向推力角接触球轴承
2019-07-23 08:59
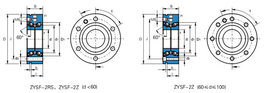
结构:
公差:


特点:
ZYSN和ZYSF系列推力角接触球轴承是精密轴承,主要供螺杆传动使用。它是由一个整体外圈,两个内圈,钢球,保持架及密封圈组成的完整轴承单元。装配后,轴承呈O型(DB)配置,接触角为60°。通过精密锁紧螺母施加预载荷,它可以同时承受轴向和径向载荷。轴承两侧均采用密封,油脂润滑且设计有再润滑结构,保持架采用聚酰胺PA66-GF25材料制造,可以在工作温度低于120℃的条件下长时间持续工作。
ZYSN和ZYSF系列推力角接触球轴承的结构如下图:

轴承的公差按精密级公差制造。当提供带增大的公差轴承时,外径公差按PO级制造。

ZYSN-2RS系列
ZYSN-2Z系列
承受双向轴向载荷


ZYSF-2RS系列
ZYSF-2Z系列
承受双向轴向载荷
外圈适用于法兰安装








